Как сделать глушилку телевизоров
Как сделать глушилку телевизоров
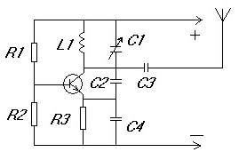
Схема на МС К555ЛН1 может создать «зашумление» сигнала, если приемник будет находиться на расстоянии не более 5 метров от источника помех.

Для реализации схемы нужна микросхема 74LS04, К555ЛН1, КР1533ЛН1 или КР531ЛН1, любой конденсатор, и батарея.
Антенну заменяет кусок медной проводки длинной до одного метра.
Транзистор нужно устанавливать на хорошем радиаторе, иначе он может просто сгореть. Антенной служит штырь длиной около 1м.
Настройка:
Вращая винт подстроечного конденсатора, добиваемся настройки прибора в нужном диапазоне. На экране телевизора оно может вызвать помехи в виде полос вовремя перестройки контура, а при точной настройке получим черный экран. Звуковое сопровождение TV или FM приемника при этом пропадает, заменяясь на «тишину» в динамиках.
Вариант использования:
T1 BFR91A
T2 2Т610А без радиатора
T3 КТ913Б на радиаторе
Данные катушек: L1 2W 0.4 D4
L11 17W 0.3 D5 (6mm)
C7,C8 “CD” 2kB 0.022mf или любые которые выдержат мощность.
Обычную керамику лучше не ставить.
Плата 1.5мм 2-х сторонняя обратная сторона подключена к массе около С5.
R6 100 Ом
Rx *18 Ом
*включить между L8 и +питания
Другие транзисторы:
КТ920В Rx 11Ом I=0.9A Urf=14.5V
FM глушит по всему дому, тоже самое и МВ. Однако многие ДМВ каналы достаточно прилично принимаются на внешнюю антенну.
Основная мощность, где то до 200-300 МГц
2Т911А Rx 18Ом I=0.4A Urf=8.5V
Похоже на КТ913, но меньше помех на ДМВ.

Данная конструкция недорогая, мощность выше, возможность согласования с антенной и дает больший КПД.
Мощный подавитель телеканалов
Это устройство было задумано из-за слишком шумных соседей, которые любили громко смотреть телевизор целый день, не выключая его. Нужен был относительно простой, стабильный в работе подавитель телевизионных каналов.
Как уже сказал, схема отличается простотой сборки, в настройке буквально не нуждается. Вся схема была собрана навесным монтажом, как выяснилась, навесом работала лучше, чем на печатной плате. Устройство начинает генерировать помехи с питанием всего от одной пальчиковой батарейки, если снизить сопротивление эмиттерного резистора до 22 Ом, но удобно использовать крону, так, что отклонять номиналы пассивных компонентов схемы крайне не желательно.
В схеме можно использовать практически любые маломощные транзисторы NPN с рабочей частотой выше 400мГц, в моем варианте использован достаточно редкий КТ325В с частотой выше 900мГц. Можно использовать также высокочастотные транзисторы КТ368 или импортный аналог С9018 и им подобные.
Катушка передатчика намотана на оправе с диаметром 9 мм, содержит 6 витков провода 0,5-0,8мм. После монтажа в отверстие катушки вставляем небольшой кусочек губки и заливаем парафином, чтобы катушка была неподвижной
Подстроечный конденсатор подбираем с максимальной емкостью 40 пф, если есть, то ставьте 60 пф, им настраивают на нужную частоту.
Антенной устройства служит многожильный провод с длиной 30-40 см, ее можно скрутить в спираль и спрятать в корпус устройства, если размеры корпуса этого позволяют.
Готовая схема получается достаточно компактной, ее можно поместить в любой удобный пластмассовый корпус, для надежности желательно всю схему залить воском. В корпусе нужно сделать отверстие для подстроечного конденсатора.
Для точной настройки устройства желательно использовать простейший ВЧ детектор электромагнитных волн, но я схему особо не настраивал, все и без этого работает отлично.
После того, как схема полностью собрана и помещена в корпус, пора провести испытания.
Включаем девайс и телевизор. Должен предупредить, что схема может глушить только те каналы, которые находятся в диапазоне частот от 60 до 200 МГц. Медленно вращаем подстроечный конденсатор, при этом не касаемся антенны устройства руками! Некоторые каналы ложатся полностью, в некоторых сплошные помехи и «снежинки»
Для подавления каждого канала нужно настраивать схему подстроечным конденсатором.
В итоге были собраны 3 таких устройства для борьбы с соседом (район маленький и телеканалов не более десяти), затем оказалось, что из-за большого радиуса действия, у самого телевизор тоже глючил. Мне устройство не помогло, но уверен начинающие радиолюбители по ходу сделают и обрадуются.
Глушилка для телевизора
Когда мы учились в технаре(90-е), на втором курсе, наш приятель притащил электронную
самоделку. Выглядела она страшно. Куча деталек припаяны кое как на весу, батарейка и
кусок провода, типа антенна. «Че за монстр?», спросили мы его.
— Да, соседи выше этажом задолбали. Включают телевизор громко. Я им и звонил и ходил к
ним. Они только нах посылают и всё. Тогда я взялся за схему из журнала «Радиолюбитель»
и сварганил это чудо. Классная вещь. Как только начинается телевизионный безпредел,
врубаю эту штучку, у них вместо телепередачи «снег» и шипение. Они этого не переносят
— Че то не похоже, что эта фигня работает.
— Давай после пар пойдем и проверим!
Как и договорились, после занятий пошли вместе (человек 5) проверять чудо-агрегат.
Нашли квартал, где квартиры в подвальных этажах. Видно, че творится внутри. Нашли
«жертву». Это был классический «Сергей Юрьевич из Таганрога» в майке-алкоголичке с
волосатостями, торчащими из-под майки и залысиной на башке. Он мирно сидел пред ящиком, в руках бутылка пиваса.
-Врубай!- с надеждой в голосе говорим однокашнику
Кулибин, кряхтя щелкнул тумблером и телек стал показывать снег.
Мужик выпучил глаза в недоумении, подошел к «циклопу» и стал переключать каналы. Там
везде такая «шляпа». Тогда он методично стал стучать по нему кулаком.
У нашего мастера был козырь в рукаве. Он модернизировал схему и у неё был МИКРОФОН!
Мужик отпрыгнул от телевизора как шальной, чего-то вскрикнув (не слышно было)
Мы от смеха чуть не лопнули.
Побежали от этой квартиры, чтобы не навлечь гнев пролетария))
До телеги про микрофон всё было вполне правдоподобно
«Побежали от этой квартиры, чтобы не навлечь гнев пролетария))»
зачем бегать, друг не спаял телепортатор что ли?
Для всех неверующих, ниже приведена схема простого устройств для глушения телевизионных передач:
Антенна 40 см многожильного провода
Схема рабочая, в принципе.
Насчёт микрофона, надо очень постараться настроить.
Дома, ещё в середине 90-х, заметил, что когда настраиваю fm-приемник то на ТВ, на одном из каналов возникали помехи.
На том канале шёл какой-то сериал, на него приходила соседка, которую я недолюбливал. Начинался сериал, приходила соседка и приходили помехи. ТВ выключался, соседка уходила
мне в кабинет такое надо.
а то одна пилотка любит включать творожное радиво, и целый день из него струятся то лоза то меладза то киндзадза, а такой прибор я бы аккуратненько вписал в корпус обычной зарядки
Схему на гора. Вот и проверим. Кто скинет. Я помню в детстве собирал трещалку. Реле соединял через саму себя. Она и трещала, включаясь и выключаясь. Пытался таким способом переговариваться с другом из подъезда. Он записывал помехи по радиоприемнику. Но только ничего не получилось. Работал аппарат только на соседнем столе не дальше. Слабоват. Азбуку морзе зато подучили
Он модернизировал схему и у неё был МИКРОФОН!
Хорошая байка, смешная.
тем кто сомневается. вас в яндексе забанили? элементарная трехточка глушит телек за раз.
сам так же глушил муз-центр соседей алкашей.
Пиздабол ещё додумался тег «моё» поставить под этой фантазией из детства.
схема с батарейкой могла бы глушить все в радиусе 3 метров максимум и то если бы антенна была комнатная, а уж про микрофон вообще хрень полная
ТС- веселый сказочник. То есть, неважно какая частота в данный момент у телевизора- передатчик с самоделки херачил во всем диапазоне, еще и звук гнал по всем частотам, ага.
Настолько лютый бред, что это действительно было даже смешно читать.
Юлий Вечeрский «Перед телевизором», 1996 год
Счастье
Эх, Горбушка
Наверное1992 год, батя, наконец, решил выкинуть старый телевизор Электроника,в который уже был впаян блок pal-secam для просмотра порнухи, которую он с матерью так хорошо от меня прятали.
И мы торжественно отправились на рынок. Для меня оставалось загадкой, зачем мы приехали в морозный день на какую-то стоянку большегрузных авто?
Я был в афиге, от количества разных картонных коробок с известными названиями. Конечно это была легендарная Горбушка, где мы приобрели такую модную,в те года, тройку-телевизор, видеомагнитофон и музыкальный центр! Блин, я был первый парень на деревне, мне даже батя разрешил центр взять на школьную дискотеку, где я ставил кассеты, диски тогда были шиком.
Потом я не раз сюда приезжал уже когда у меня была приставка.
Да и диски музыкальные брал для плеера, благо учился на парк культуры.
К чему весь этот пост ностальгии? Кто не знает, легендарную Горбушку сносят и на ее месте появится очередной неживой квартал муравейник.
Ответ на пост «Старый телевизор»
Аж расчувствовался,когда прочитал на шильдике «TACTICS».
В 1988 году дядя привёз из Франции нам телевизор такой марки,только «кубик»,21″.Пульт,мультисистемный,готовые разъёмы для подключения видеомагнитофона и просто красавец бронзового оттенка!
Умели же делать!Сегодня такая марка телевизора даже не гуглится.
Эротический фильм
«Комсомольская правда». 7 января 1992 год.
90-е игровые
Dendy
Практикуюсь в 3D
Вот запилил ностальгическую сцену(с нюансом)
Легендарный телевизор 90-х
Sony Trinitron. Ушла эпоха. Легенда телевизионного рынка. В мире эти телевизоры начали появляться с конца шестидесятых годов, а к нам они пришли на рубеже распада СССР. Sony Trinitron за все время продался тиражом около 300 млн штук. Они были первыми в мире полноценными цветными телевизорами. А впоследствии самыми яркими (на 25%) на рынке вплоть до прихода первых плазменных телевизоров.
Ценились эти телевизоры за четкость картинки и уровень звука. На то время в 80-е и 90-е годы некому было их переплюнуть. Sony установила новые стандарты в телевещании. Другим компаниям осталось лишь догонять ее в разработках и технологиях. Впоследствии это было сделано, но спустя десятилетия. Конкуренты такие как Shivaki, Panasonic, Sharp и GoldStar предложили изображение уровня Trinitron, но за куда меньшие деньги, но это было уже потом. К тому моменту Sony уже продала более 100 млн телевизоров Trinitron по всему миру.
Trinitron собирался в нескольких странах на разных континентах. Негласно считалось что телевизоры собранные в Великобритании (Англия), Японии и Испании отличались куда более высокой надежностью, чем эти же телевизоры собранные в Сингапуре и Малайзии. Конечно это не так, но так считали люди в то время. На практике все эти телевизоры служили не один десяток лет. Некоторые экземпляры работают до сих пор без единого ремонта (купленные в 90-е), телевизорам по 25-30 лет. Гарантийная пломба на месте, то есть корпус не вскрывался.
Первый Sony Trinitron был выпущен в 1968 году. С 2004 года Sony постепенно приостанавливала географию производства и продаж. К 2008 году этот телевизор окончательно прекратился выпускаться. Примечательно что в 1994 году был продан 100-миллионный телевизор. В этом же году в мире начала продаваться легендарная игровая приставка Sony PlayStation. Ее первая версия. Это дополнительно подстегнуло продажи Trinitron. Спустя 6 лет в свет вышла PS2. После этого за Sony окончательно закрепилась слава качественного производителя.
В 1973 году Sony за свой легендарный телевизор получила премию Эмми (Emmy Award — за выдающиеся достижение и превосходство в телевизионной индустрии).
Основные преимущества Sony Trinitron:
* Мощная и яркая подсветка (благодаря специальному ЭЛТ). Кинескоп почти не садится.
* Большому количеству разъемов спереди и сзади (можно подключить практически любую периферию).
* Не выходит из строя даже при скачках напряжения (благодаря износостойким компонентам).
Изначально Trinitron был выпущен в диагонали 12 дюймов. Потом чуть позже вышла 14-дюймовая версия. В последствии появились 27, 32 и 36-дюймовые версии телевизора.
С 1996 года компания Sony плавно переходила на более современную технологию WEGA.
А с 2005 года эту технологию полностью заменили телевизоры с технологией BRAVIA. Эта технология применяется в телевизорах Sony по сей день.
У Sony получилось очень надежное и интересное творение. Телевизор прошел сквозь десятилетия.
А сегодня поделюсь личными воспоминаниями о самом известном и престижном телевизоре 90-х — «Sony Black Trinitron«.
В начале 90-х в нашей среде импортная видеотехника делилась на две категории — ту, что попроще, и ту, которую хотелось бы приобрести. К первой категории относились такие марки как «Фунай», «Голдстар», «Шиваки». Ко второй — «Шарп», «Панасоник» и «Сони». Были и другие качественные марки — вроде воспетого Высоцким «Грюндига» («вон дантист, надомник Рудик, у него приемник «Грюндиг») или прославившейся своими моторами «Мицубиси». Однако в начале 90-х они встречались крайне редко и проходили по разряду экзотики, которую, случись чего, и починить будет негде.
Что до размера, то оптимальным вариантом считался телевизор с диагональю экрана 21 дюйм. Телевизоры на 14 дюймов воспринимались как баловство. Их брали исключительно как второй телевизор, который ставят не в гостиной, а на кухне или в спальне.
При этом по цене 14-дюймового «Сони» (320-350 долларов) можно было купить какой-нибудь полноразмерный (то есть 21-дюймовый) «Шиваки».
Покупка телевизора с диагональю 25 дюймов граничила с расточительством, ну, а тех, кто мог позволить себе 29 дюймов, воспринимали как крёзов и небожителей.
А еще была такая занятная вещь, как видеокомбайн (не путать с видеодвойкой, то есть телевизором и видеомагнитофоном одной марки :)). Видеокомбайн — это телевизор и видеомагнитофон в одном корпусе:
В 1993 году 21-дюймовый «Сони Тринитрон» продавался в розницу по цене от 500 (если сильно повезет) до 600 долларов США. Различали телевизоры белой и желтой сборки. Желтая— Сингапур, Малайзия. Белая— Англия, Испания. Белые стоили дороже. Однако на качество это не влияло, все зависело от везения. Мой коллега специально искал и в конце концов купил за 600 долларов «Тринитрон», собранный в Англии. Я же купил малазийский за 530 долларов. Коллега отдал свой аппарат в ремонт уже через полгода. А мой без малейших нареканий проработал у меня до 1996 года, но и тогда он не сломался — просто в 1996 году я влез в долги и продал телевизор с видаком знакомым. По состоянию на 1998 год, когда квартиру знакомых обнесли домушники, мой «Тринитрон» все еще отлично показывал — иначе зачем бы он сдался домушникам, которые взяли исключительно бытовую и видеотехнику?
До сих помню дату покупки своего «Тринитрона». Она запомнилась не только потому, что я купил телевизор, о котором лет пять лет назад, я, советский школьник из рабочей семьи, и мечтать не мог. Просто покупка состоялась в тот день, когда случилось знаковое для 90-х событие — в Москву впервые приехал Майкл Джексон. То есть 15 сентября 1993 года.
Телевизор я купил в Москве, по рекламе в газете «Из рук в руки». Привлекла довольно низкая цена (530 долларов) и название фирмы-продавца — ТОО «Три коня». По прибытии на место выяснилась причина привлекательной цены. Оказалось, что «Три коня» скоро закрываются, поэтому фирма распродает все остатки со склада. Продавцы долго уговаривали меня взять неходовой 25-ти дюймовый «Тринитрон» всего за 620 долларов, но я почему-то не решился, хотя такая сумма при себе имелась.
А потом мы везли купленный «Тринитрон» через мертвую пробку на Садовом, которое стояло из-за прибытия короля поп-музыки. Поскольку мы с другом приехали за покупкой на такси, встретившийся в потоке московский таксист проявил профессиональную солидарность и объяснил нашему, как выбраться дворами на Ленинградское шоссе. Мы вырвались из пробки в районе ресторана «Таджикистан». Решив, что это знак, мы зашли туда обмыть покупку. За банкет, разумеется, платил виновник торжества. Когда принесли счет, я увидел, что мы пропили и проели те самые лишние 4 дюйма экрана, которые я почему-то не решился купить.
А потом я увидел по своему «Тринитрону» то, без чего сложно представить 90-е в России:
Глушилка своими руками – как сделать устройство для блокировки сигналов ТВ и сотовых телефонов
Для устранения проблемы, связанной со слежением, потребуется устройство подавителя связи, подавляющее навигатор, а также вносящее определённые помехи в процессе его функционирования. Подобные глушилки продаются в магазине электроники, либо создаются собственноручно при наличии определённых знаний в области радиотехники.
Важно! Нужно понимать, что для такого устройства нужно разрешение, без него использование глушилки на территории Российской Федерации запрещено. Более детально о правовых и юридических моментах вы можете проконсультироваться у профессионалов – https://ipkl.ru.
Краткое содержимое статьи:
Из чего состоит глушилка?





Для бесперебойного функционирования гаджета и исключения глушения связи понадобится намотать требуемое число витков. От правильности выбора сердечника напрямую зависит продолжительность работы прибора и коэффициент усиления.





Подобные гаджеты создать намного проблематичнее в связи с наличием определённой модели процессора.
Нюансы изготовления, настройка
Глушилка сигнала связи, выполненная собственными руками, должна в полной мере соответствовать подобному устройству заводского производства. В этих целях понадобится схема простой глушилки сотовой связи, которая представлена в виде компактного каскада, в который включены диоды, а также транзисторы.
Резисторы с конденсаторами есть возможность изготовить посредством токовых зеркал, а также подобных заменяемых элементов. Данный подмен позволит уменьшить не только размеры гаджета, но и его стоимость.
Немаловажным нюансом считается настройка, позволяющая устранить проблемы, связанные с глушением других сигналов. Для избавления смешивания частот необходимо настроить имеющуюся катушку индуктивности, непосредственно от которой зависит исходящая частота. Подобное действие происходит благодаря изменению числа витков, размещённых на сердечнике.
Чтобы определить количество витков максимально конкретно, важно использовать определённую формулу, которая показывает нужную степень зависимости, имеющуюся между индуктивностью, частотой, а также намотками.





Далее инструкцией создания глушилки для неопытных мастеров предусмотрено устройство функционирования усилителя. Данный прибор показывает усиление и уменьшение сигнала, который не всегда эффективен в процессе работы устройства. В отдельных случаях желательно свести к минимуму процент усиления, снизив подобным образом помехи.
Регулировка данного показателя состоит в экспериментальной настройке необходимого усилителя вручную, параллельно проверяя функционирование комплекса в целом и его влияние на прибор слежения.
Такой элемент, как антенна, не нуждается в настройке, однако при этом следует выбирать её максимально серьёзно. По отзывам радиолюбителей, правильнее всего обустроить антенну SMA, от которой идёт сигнал в разные стороны и которая характеризуется наивысшим усилительным коэффициентом.





В зависимости от области обхвата, появляется выбор, который связан между числом обустраиваемых антенн. При необходимости получения готового результата пределах нескольких метров, применяется 1 деталь, при этом в отдельных структурах обустраивается до 4 деталей.
Права по использованию гаджета
Если говорить о разрешении применения подобных гаджетов, то в нашей стране это запрещено. Даже приборы, продаваемые в специализированных магазинах, не разрешено использовать без необходимого разрешения.
Перед получением нужного разрешения и до собственноручного создания глушилки, нужно пройти испытания. Несомненно, модель, созданная самостоятельно, не подтверждается никаким разрешением, именно по этой причине можно применять её незаконно.





Поскольку прибор обладает небольшой мощностью и применяется исключительно в гражданских целях, выследить его достаточно проблематично. В основном проблемы возникнут в случае, когда водитель попадётся с подобным прибором, что может стать причиной огромного штрафа.










































